汽油发电机组及“飞车”故障分析
上篇文章我们讲了关于汽油发电机组及“飞车”故障原因,今天,我们分析下为什么会有此类故障发生。
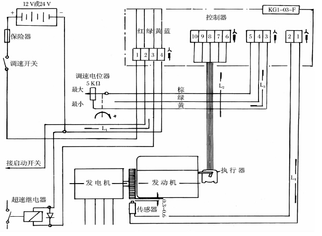
1、电子调速系统作用
电子调速系统主要由调速控制器、执行器、转速传感器和调速电位器等组成。系统组成如图1所示。

2、调速控制器
调速控制器是调速系统的核心。在铝制外壳内封装着控制电路,通过插座分别连接调速电位器、转速传感器、执行器和12V电源,如图2所示。调速控制器除了调节控制发动机转速外,还可实现超速警报,即发动机转速超过设定值时,切断点火低压电路,使发电机停机。
3、调速电位器
安装在电站控制板上,调整角度为10圈、阻值5000Ω,增大电阻可控制发动机转速升高。

图2、调速系统控制框图
4、转速传感器
转速传感器为电磁式传感器,传感器内部安装一个永久磁铁和感应线圈。当转子上齿形不断经过传感器时,引起其内部磁场变化,并在线圈中产生感应电压。
5、执行器
执行器主要由多极永久磁铁、电枢、输出轴及反馈部件将执行器的工作状态传回控制器以形成闭环控制系统,如图2所示。执行器安装在靠近化油器的支架上,通过摇臂和连杆与节气门拉杆相连接,以控制发电机转速。
6、系统控制过程
调速系统工作过程为:调速电位器设定发电机转速值,转速传感器将发电机飞轮转速转化为脉冲电信号,经频压转换器转化为电压信号,与转速设定值进行比较,输出电压差,该差值又经PID放大后,输入功率放大电路,驱动执行电机。转速低于设定值时,执行器开大化油器节气门,反之,则关小化油器节气门,如图3。

图3、调速系统控制过程示意图
7、故障定位分析
由控制过程可得出故障分析树状图如图4所示。
图4 调速系统故障分析图
由故障分析树状图可知能造成飞车故障的部位有:
a、调速控制器
调速器控制器故障,会错误判断发电机状态,驱动执行器开大化油器节气门导致“飞车”。
b、执行器故障
执行器故障可导致油门卡死在最大位置,导致发动机启动后出现“飞车”。
c、转速传感器故障
转速传感器故障可导致控制器不能得到正确的发电机转速信号,错误地加大节气门开度导致“飞车”。
d、调速电位器
调速电位器阻值越大,转速设定值越高,调速电位器失效会导致转速设定在最大转速,发电机启动后会立刻提高转速至最大值。
相关资讯
- 不能包管一切
- 柴油发电机与您众志成城抗天灾
- 在寒冷的冬季我们更要学会如何安全使用柴油发电机
- 3KW汽油发电机的几大用途
- 氩弧电焊一体机的操作容不得半点的失误
- 伊藤汽油发电机——员工毛冰培训总结
- 柴油发电机噪音太大?解决窍门都在这了
- 伊藤汽油发电机——技术人员培训汇报
- 便携式柴油发电机的一些常识是否重要?
- “高素质,严要求”下的便携式汽油发电机
最新产品
同类文章排行
- 汽油发电机优势出现高温报警的原因
- 如何选购发电机蕴含大大的能量
- 柴油水泵常见故障为何排气管有时滴油
- 汽油和柴油发电机组区别日常启动步骤
- 汽油发电机用途“心脏”如何保养
- 汽油发电机是否省油如何接线安全
- 汽油发电机优势磨合期如何安全度过
- 小型汽油发电机优点柴油发电机特点
- 汽油发电机选购起动前准备检查
- 汽油发电机“烫护秘方”冷却液温度偏高解决
最新资讯文章
您的浏览历史





